Trzpien frezar.uniwers. do nasadzania glowicy, DIN69893A HSK-A63 22x100mm HAIMER
1 036,00 zł
104 w magazynie
Opis
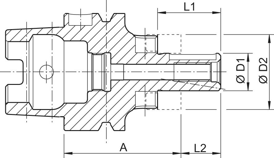
Trzpień frezarski uniwersalny do nasadzania głowicy, DIN 69893, kształt A, HSK 63
Wykonanie: precyzyjnie wyważona. Specjalna stal do nawęglania do wysokich obciążeń, wytrzymałość na rozciąganie rdzenia min. 1000 N/mm2. Wszystkie powierzchnie funkcyjne po obróbce wykańczającej, gwarantowana jakość dzięki podwójnej, 100-procentowej kontroli. Dokładniej niż DIN.
Twardość po hartowaniu: 58 –2 HRC
Zastosowanie: do mocowania frezów walcowo-czołowych DIN 841 i DIN 1880 oraz frezów kątowo-tarczowych DIN 842 i głowic frezowych DIN 1830.
Zakres dostawy: trzpień frezarski uniwersalny do nasadzania głowicy ze śrubą mocującą frez, pierścieniem zabierakowym i wpustem pasowanym.
Informacje dodatkowe
| Waga | 1,5 kg |
|---|---|
| Kod producenta | A63.041.22 |
| Średnica d1 | 22 mm |
| Średnica d2 | 40 mm |
| l1 | 100 mm |
| l2 | 31 mm |
| l3 | 19 mm |






