Nasadka 1/4″ rozmiar 5/32″, 12-kątna, krótka STAHLWILLE

36,94 

22 w magazynie

SKU: 793461 Kategorie: , , , Marka:

Opis

1/4″ (6,3mm) Nasadki Rozm.5/32″ Dl.23mm

  • ASME B 107.1, Fed.Spec. GGG-W-641, SAE AS 954|(wartosci normatywne)
  • HPQ ® -stal wysokosprawna, chromowane

Informacje dodatkowe

Waga 0,01 kg
Kod producenta

01530010

Nr katalogowy

40 AD 5/32

Waga

7 g

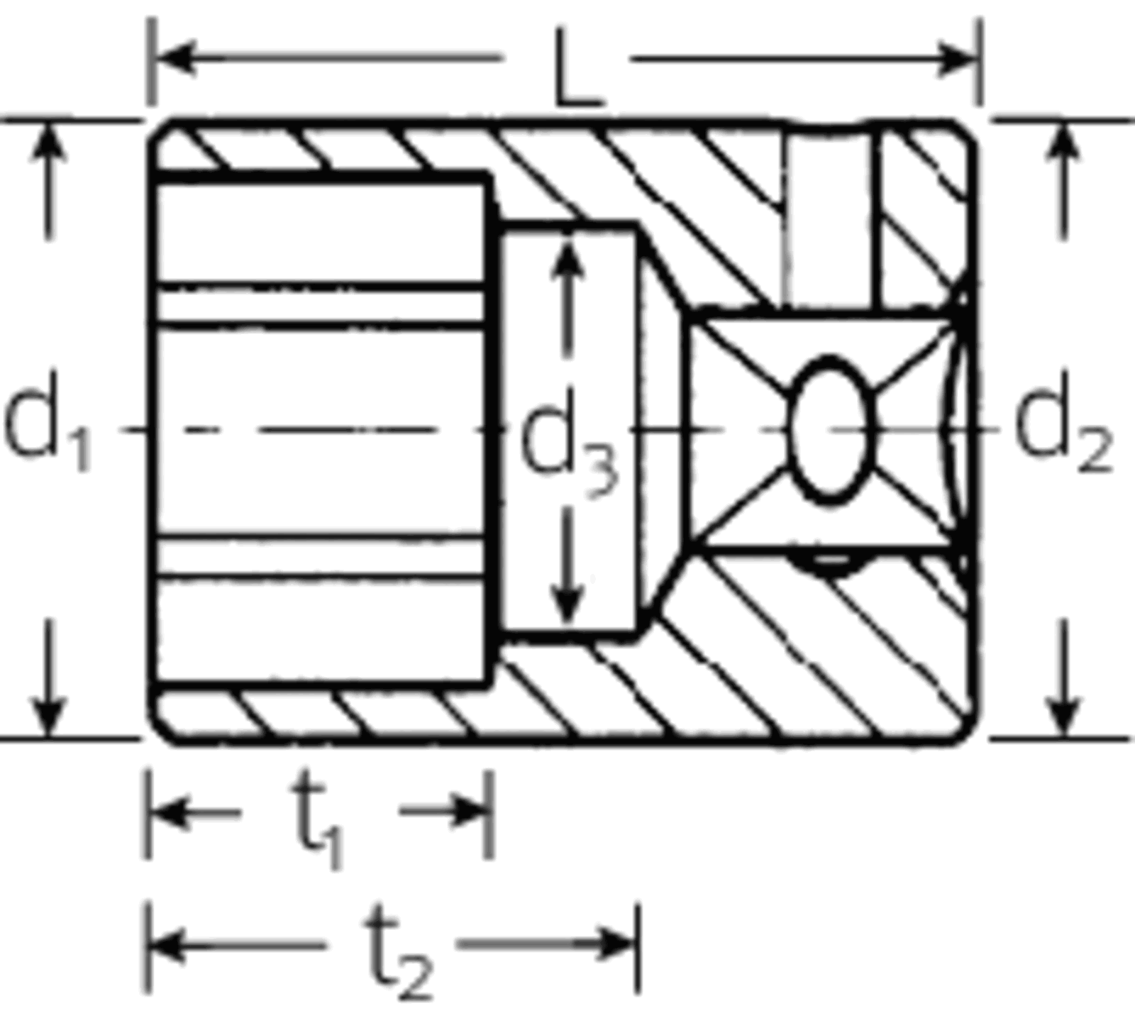
L

23 mm

d1

6,7 mm

d2

10,7 mm

d3

3,2 mm

Profil wyjsciowy

podwójnym AS-drive

Rozmiar [cal]

5/32 ""

t1

3,5 mm

t2

15 mm

Naped kwadratowy

1/4" (6,3mm)"

Zlacze

zöllig