Nasadka 1/4″ rozmiar 3/8″, 12-kątna, krótka STAHLWILLE
34,80 zł
17 w magazynie
Opis
1/4″ (6,3mm) Nasadki Rozm.3/8″ Dl.23mm
- ASME B 107.1, Fed.Spec. GGG-W-641, SAE AS 954|(wartosci normatywne)
- HPQ ® -stal wysokosprawna, chromowane
Informacje dodatkowe
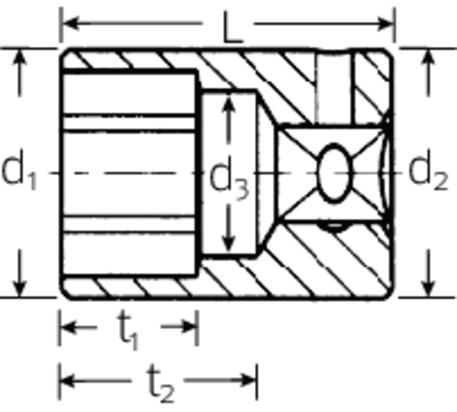
| Waga | 0,02 kg |
|---|---|
| Kod producenta | 01530024 |
| Nr katalogowy | 40 AD 3/8 |
| Waga | 16 g |
| L | 23 mm |
| d1 | 13,7 mm |
| d2 | 13,7 mm |
| d3 | 8,3 mm |
| Profil wyjsciowy | podwójnym AS-drive |
| Rozmiar [cal] | 3/8 "" |
| t1 | 8 mm |
| t2 | 13,3 mm |
| Naped kwadratowy | 1/4" (6,3mm)" |
| Zlacze | zöllig |








