Nasadka 1/2″ 20,8mm-13/16″ długa,do świec,z wkładem gum.12-kątna STAHLWILLE
136,20 zł
4 w magazynie
Opis
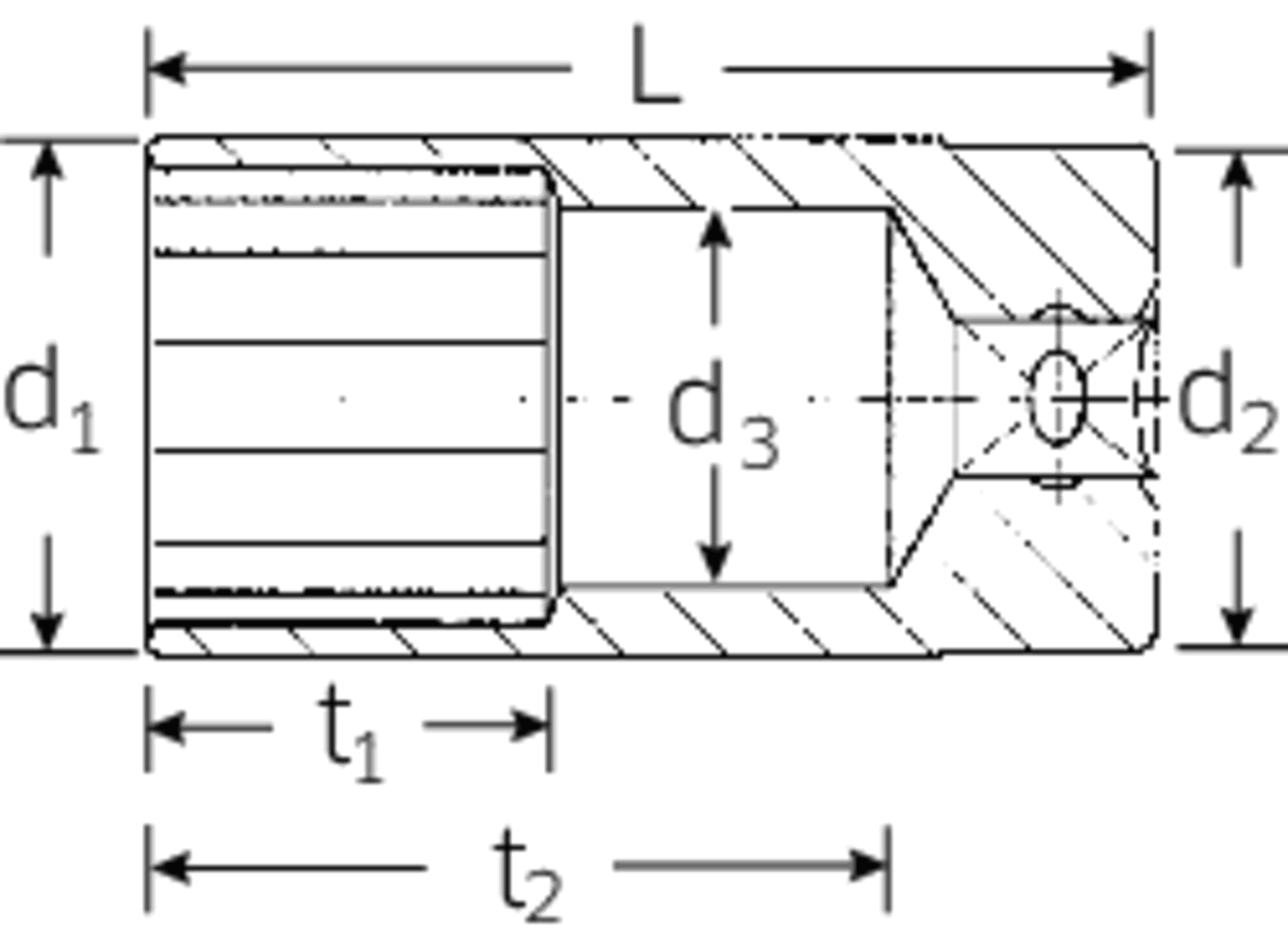
1/2″ (12,5mm) Nasadki Rozm.20,8-13/16 1) ” Dl.83mm
- dlugie
- DIN 3124/ISO 2725-1, E DIN EN 3710, E DIN EN 3709, ASME B 107.5M
- HPQ®-stal wysokosprawna, chromowane
Informacje dodatkowe
| Waga | 0,19 kg |
|---|---|
| Kod producenta | 03020208 |
| Nr katalogowy | 51 20,8-13/16 |
| Waga | 194 g |
| L | 83 mm |
| d1 | 27,7 mm |
| d2 | 26 mm |
| d3 | 20 mm |
| Profil wyjsciowy | podwójnym AS-drive |
| t1 | 22 mm |
| t2 | 66,2 mm |
| Naped kwadratowy | 1/2" (12,5mm)" |
| Rozmiar [mm i cal] | 20,8-13/16 |
| Zlacze | zöllig/metrisch |








